山東萬象環境科技有限公司
聯系人:毛經理
銷售電話:15666889815
銷售QQ:1950883583
公司地址:山東省濰坊高新區新城街道玉清社區光電路155號濰坊高新區光電產業加速器(一期)1號樓301

聯系人:毛經理
銷售電話:15666889815
銷售QQ:1950883583
公司地址:山東省濰坊高新區新城街道玉清社區光電路155號濰坊高新區光電產業加速器(一期)1號樓301

水質浮標監測站又稱浮標水質監測站,浮標水質監測設備,水質浮標監測站是一款安裝在水環境中使用的水質監測設備,可以漂浮在水面環境中使用,能夠實時監測水溫、pH值、溶解氧、濁度、氨氮、重金屬含量等水質參數,還能將監測到的水質參數實時上傳水質監測平臺顯示,為有關部門的水質管理提供數據支持
詳細產品介紹及技術參數
1.水質浮漂監測站SFA集數據采集、存儲、傳輸和管理于一體的無人值守的采集系統。它在工農業生產、旅游、城市環境監測、地質災害、防洪、供水調度、電站水庫水情管理等為目的水文自動測報系統;功能強大的上位機軟件可遠程觀測實時水雨情信息,具有數據庫、報表、下載等功能,用戶還可利用該功能完善的氣象軟件對記錄的數據作進一步的處理分析。
2.SFA03款浮標是由水質傳感器(水溫、電導率、PH)、數據采集儀、通訊系統、供電系統、整體 支架、水質監測平臺六部分組成。同時可擴展溶解氧、氨氮、 濁度、COD,多項水質要素。數據采集儀具有數 據采集、實時時鐘、數據定時存儲、參數設定和標準2G/4G(GPRS)通信功能。
二、產品特點
1.易部署:各類型探頭進行高度集成,安裝方便;提供免費云平臺服務,系統快速上線;
2.易維護:設備安裝后,自行工作即可,無需人工值守,也可以通過遠程監控的方式保障設備的正常運行;
3.易擴展:傳感器探頭均使用統一的通信協議,可以快速對接原設備,快速擴展監測參數;
4.低功耗:設備可以實現低功耗狀態下,長時間運行,增加設備使用的便利性;
5.實時性:設備監測到的數據實時傳輸至云平臺,提升環境數據反饋的及時性。
三、技術參數
1. 主體參數
產品名稱 | 描述 |
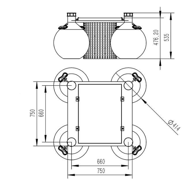
環境水質監測浮標 | 可實時實現多路參數在線監測。 可實現電池電量監控。 可實現云平臺數據監控、數據推送、 數據的存儲和報警功能;數據的無線發射功能。 峰值功耗為 5W;傳感器功耗 0.25W左右/只。 外形尺寸:750mm*750mm*535mm。浮球直徑414mm 重量:22kg |
采集器數據采集 | 運行可靠,抗干擾,可集成多路RS485/MODBUS-RTU 從站設備 |
采集器數據輸出 | 1 路 Rs485/JSON協議輸出 |
電池 | 鋰電池 12VDC,20AH(默認) |
太陽能電池板 | 22.1V/50W(默認) |
供電能力 | 定制選型;陰雨天間歇工作 5天以上 |
位置指示 (選配) | 警示燈;GPS 定位; |
監測平臺 | 云平臺;手機/電腦多終端登錄 |
防護罩 | 304 不銹鋼濾筒防護罩 |
浮體 | 直徑414mm 球形浮體*4工程塑料 |
2.可選配傳感器的主要參數
| 序號 | 名稱 | 測量范圍 | 測量原理 | 測量精度 | 是否標配 | 備注 |
| 1 | 溫度 | 0~50℃ | 高精度數字傳感器 | ±0.3℃ | ? | |
| 2 | pH | 0~14(ph) | 電化學(鹽橋) | ± 0.1PH | ? | |
| 3 | ORP | -1500mv~1500mv | 電化學(鹽橋) | ± 6mv | ||
| 4 | 電導率 | 0~5000uS/cm | 接觸式電極法 | ± 1.5% | ? | |
| 5 | 濁度 | 0~40NTU(低濁) | 散射光法 | ± 1% | 低濁可定制 | |
| 0~1000NTU(中濁) | 散射光法 | ± 1% | 中濁可定制 | |||
| 0~3000NTU(高濁) | 散射光法 | ± 1% | 默認發 | |||
| 6 | 溶解氧 | 0~20mg/L | 熒光壽命法 | ± 2% | ||
| 7 | 氨氮 | 0~100mg/l | 離子選擇電極法 | ±1mg | ||
| 8 | cod | 0~500mg/ L | UV254 吸收法 | ±5% | 默認發、cod濁度一體 | |
| 濁度 | 0~400NTU | 散射光法 | ± 1% | |||
| 9 | 懸浮物 | 0~2000mg/L | 散射光法 | ±5%(取決于污泥同質性) | ||
| 10 | 葉綠素 | 0~400ug/L | 熒光法 | R2>0.999 |
四、產品尺寸圖

五、設備安裝要求
1.遠離大功率無線電發射源
2.遠離高壓輸電線和微波無線電傳送通道
3.盡量靠近數據傳輸網絡
4.遠離強電磁干擾
六、云平臺介紹
1.CS架構軟件平臺,支持手機、PC瀏覽器直接觀測.無需額外安裝軟件。
2.支持多帳號、多設備登錄
3.支持實時數據展示與歷史數據展示儀表板
4.云服務器.云數據存儲,穩定可靠,易于擴展,負載均衡。
5.支持短信報警及閾值設置
6.支持地圖顯示、查看設備信息。
7.支持數據曲線分析
8.支持數據導出表格形式
9.支持數據轉發,HJ-212協議,TCP轉發,http協議等。
10.支持數據后處理功能
11.支持外置運行javascript腳本
WX-YYS05飲用水在線監測設備能夠實時扎根在飲用水供水系統的關鍵節點,持續監測水質狀況,無論是水源地、水廠處理環節,還是輸水管網、居民小區供水末端,都能穩定運行。這種全流程、不間斷的監測方式,確保了飲用水從源頭到龍頭的每一個環節都處于有效監控之下,不留安全死角。...
WX-GWS07排水管網水質監測儀的核心優勢在于對水質變化的精準捕捉與實時反饋。它能持續采集管網內水體的多項關鍵指標,這些指標直接反映著水質的健康狀況。與傳統監測方式不同,它無需人工頻繁干預,就能實現對管網水質的全天候監測,哪怕是局部管網的細微水質波動,也能被及時捕捉到。...
WX-SFA06漂浮式水質自動監測站是一種集成了先進傳感器、數據處理與傳輸技術的智能化監測設備。它以其獨特的漂浮式設計,能夠自由部署在各種水域中,無論是寬闊的湖泊、蜿蜒的河流還是浩瀚的海洋,都能成為其監測的領地。這種設計不僅賦予了監測站極大的靈活性,還使其能夠隨著水流的變化而調整位置,確保監測數據的全面性和代表性。...
WX-QSZ取水水質監測微系統是一種用于實時監測取水口水質狀況的微型設備。它集成了傳感器技術、物聯網技術、大數據分析等多項先進技術,能夠實現對水質參數的快速檢測、數據傳輸和智能分析。這一系統的出現,不僅提高了水質監測的效率和準確性,也為水資源的保護和管理提供了強有力的技術支持。...
追求高效與便捷的時代,科技的力量正以前所未有的速度滲透到我們生活的每一個角落。今天,就讓我們一起探索一款集科技、實用與便攜于一身的神奇小工具——?WX-SS7便攜式電導率測定儀?,它不僅是科研人員的得力助手,更是環保愛好者、水產養殖者乃至普通家庭水質管理的智慧選擇!電導率,簡而言之,是衡量材料導電能力的物...
WX-WS10污水水質在線監測儀的工作模式十分貼合污水監測的實際需求,它能適應不同的污水環境,無論是成分復雜的工業污水、生活污水,還是河道中的排污水體,都能穩定發揮監測作用。它能抵御污水環境中的腐蝕、雜質干擾,在惡劣的工作環境中依然保持穩定的運行狀態,持續堅守在水質監測的崗位上。...