山東萬象環境科技有限公司
聯系人:毛經理
銷售電話:15666889815
銷售QQ:1950883583
公司地址:山東省濰坊高新區新城街道玉清社區光電路155號濰坊高新區光電產業加速器(一期)1號樓301

聯系人:毛經理
銷售電話:15666889815
銷售QQ:1950883583
公司地址:山東省濰坊高新區新城街道玉清社區光電路155號濰坊高新區光電產業加速器(一期)1號樓301

一、漂浮式水質自動監測站產品簡介
漂浮式水質自動監測站又稱水質浮標站,浮標水質監測站,漂浮式水質自動監測站是山東萬象環境研發生產的一款無需人工值守的小型水質監測站,具有價格優惠,安裝方便,測量準確的優點,還可實現遠程觀測實時的水雨情信息,能夠準確測量出水中各種污染物的濃度,為水質評價提供準確的數據支持
1.水質浮漂監測站SFA集數據采集、存儲、傳輸和管理于一體的無人值守的采集系統。它在工農業生產、旅游、城市環境監測、地質災害、防洪、供水調度、電站水庫水情管理等為目的水文自動測報系統;功能強大的上位機軟件可遠程觀測實時水雨情信息,具有數據庫、報表、下載等功能,用戶還可利用該功能完善的氣象軟件對記錄的數據作進一步的處理分析。
2.SFA06款浮標是由水質傳感器(水溫、電導率、PH、溶解氧、氨氮、濁度)、數據采集儀、通訊系統、供電系統、整體 支架、水質監測平臺六部分組成。同時可擴展COD、葉綠素、懸浮物等多項水質要素。數據采集儀具有數 據采集、實時時鐘、數據定時存儲、參數設定和標準2G/4G(GPRS)通信功能。
二、漂浮式水質自動監測站產品特點
1.易部署:各類型探頭進行高度集成,安裝方便;提供免費云平臺服務,系統快速上線;
2.易維護:設備安裝后,自行工作即可,無需人工值守,也可以通過遠程監控的方式保障設備的正常運行;
3.易擴展:傳感器探頭均使用統一的通信協議,可以快速對接原設備,快速擴展監測參數;
4.低功耗:設備可以實現低功耗狀態下,長時間運行,增加設備使用的便利性;
5.實時性:設備監測到的數據實時傳輸至云平臺,提升環境數據反饋的及時性。
三、技術參數
1. 主體參數
| 產品名稱 | 描述 |
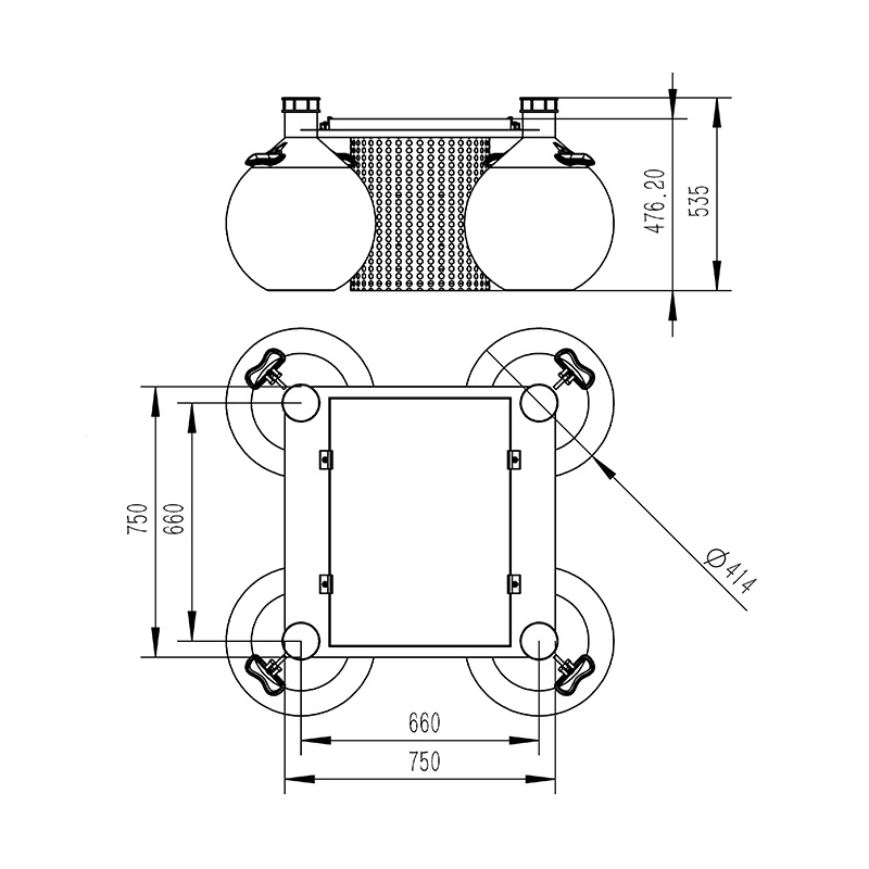
| 環境水質監測浮標 | 可實時實現多路參數在線監測。可實現電池電量監控。可實現云平臺數據監控、數據推送、數據的存儲和報警功能;數據的無線發射功能。峰值功耗為 5W;傳感器功耗 0.25W左右/只。外形尺寸:750mm*750mm*535mm。浮球直徑414mm重量:22kg |
| 采集器數據采集 | 運行可靠,抗干擾,可集成多路RS485/MODBUS-RTU從站設備 |
| 采集器數據輸出 | 1 路 Rs485/JSON協議輸出 |
| 電池 | 鋰電池 12VDC,20AH(默認) |
| 太陽能電池板 | 22.1V/50W(默認) |
| 供電能力 | 定制選型;陰雨天間歇工作 5天以上 |
| 位置指示(選配) | 警示燈;GPS 定位; |
| 監測平臺 | 云平臺;手機/電腦多終端登錄 |
| 防護罩 | 304 不銹鋼濾筒防護罩 |
| 浮體 | 直徑414mm 球形浮體*4工程塑料 |
2.可選配傳感器的主要參數
| 序號 | 名稱 | 測量范圍 | 測量原理 | 測量精度 | 是否標配 | 備注 |
| 1 | 溫度 | 0~50℃ | 高精度數字傳感器 | ±0.3℃ | ? | |
| 2 | pH | 0~14(ph) | 電化學(鹽橋) | ± 0.1PH | ? | |
| 3 | ORP | -1500mv~1500mv | 電化學(鹽橋) | ± 6mv | ||
| 4 | 電導率 | 0~5000uS/cm | 接觸式電極法 | ± 1.5% | ? | |
| 5 | 濁度 | 0~40NTU(低濁) | 散射光法 | ± 1% | 低濁可定制 | |
| 0~1000NTU(中濁) | 散射光法 | ± 1% | 中濁可定制 | |||
| 0~3000NTU(高濁) | 散射光法 | ± 1% | ? | 默認發 | ||
| 6 | 溶解氧 | 0~20mg/L | 熒光壽命法 | ± 2% | ? | |
| 7 | 氨氮 | 0~100mg/l | 離子選擇電極法 | ±1mg | ? | |
| 8 | cod | 0~500mg/ L | UV254 吸收法 | ±5% | 默認發、cod濁度一體;帶有自動清潔器,可防止生物附著,避免光窗污染,以保證長期監測依然具有穩定性;可設置自動清潔時間及清潔次數,功耗0.7W | |
| 濁度 | 0~400NTU | 散射光法 | ± 1% | |||
| 9 | 懸浮物 | 0~2000mg/L | 散射光法 | ±5%(取決于污泥同質性) | ||
| 10 | 葉綠素 | 0~400ug/L | 熒光法 | R2>0.999 | 帶有自動清潔器,可防止生物附著,避免光窗污染,以保證長期監測依然具有穩定性;可設置自動清潔時間及清潔次數,功耗0.7W |
四、產品尺寸圖

五、設備安裝要求
1.遠離大功率無線電發射源
2.遠離高壓輸電線和微波無線電傳送通道
3.盡量靠近數據傳輸網絡
4.遠離強電磁干擾
六、云平臺介紹
1.CS架構軟件平臺,支持手機、PC瀏覽器直接觀測.無需額外安裝軟件。
2.支持多帳號、多設備登錄
3.支持實時數據展示與歷史數據展示儀表板
4.云服務器.云數據存儲,穩定可靠,易于擴展,負載均衡。
5.支持短信報警及閾值設置
6.支持地圖顯示、查看設備信息。
7.支持數據曲線分析
8.支持數據導出表格形式
9.支持數據轉發,HJ-212協議,TCP轉發,http協議等。
10.支持數據后處理功能
11.支持外置運行javascript腳本
水質在線分析儀主要應用于水流較為湍急或是不易采用浸入式監測設備安裝的場所,監測的數據均為無流速水樣數據,排除了流速對于檢測結果的影響,其數值更加穩定。設備組成:取水系統、傳感器、監測分析系統、顯示系統、云平臺五部分組成。供電電壓:采用220V市電供電,內含漏保及空開,并留有接地端子,布線全由...
WX-QSZ07取水水質七參數在線監測站是指能夠實時、連續地監測并記錄取水點水質七大關鍵指標的自動化系統。這七大參數通常包括:水溫、電導率、PH、溶解氧、氨氮、濁度、cod。每一項參數都是水質健康狀況的“晴雨表”,它們共同構成了評價水質優劣的綜合體系。實時預警,快速響應:傳統水質監測多依賴人工采樣和實驗室分析,耗時且易延誤。...
WX-SS07便攜式多參數水質檢測儀的出現,徹底改變了這種被動的局面。它不需要復雜的準備工作,操作人員經過簡單學習就能使用,無論是在田間地頭、深山溪流,還是工廠排污口,只要有水質檢測需求,都能快速拿出設備進行檢測,短時間內就能掌握水質的基本狀況,讓水質監測變得高效便捷。...
非接觸式監測是WX-ML2時差法明渠流量監測系統的一大亮點,完美適配復雜明渠環境。它無需侵入水流內部安裝設備,既能避免水流沖擊、泥沙淤積對設備的損壞,也不會影響明渠正常輸水排水功能。無論是含沙量較高的河道、雜草叢生的灌區渠道,還是斷面不規則的市政排水明渠,都能穩定開展監測工作,有效解決了傳統接觸式監測在復雜環境下易故障、維護難的問題。...
漂浮設計的核心優勢在于其隨波逐流的監測特性。與傳統固定站點不同,WX-SFA05漂浮式水質自動監測站能夠捕捉水體的水平流動帶來的水質變化,真實反映污染物的遷移擴散過程。在河流入湖口,設備可以記錄不同水團的混合狀態;在水庫庫區,則能追蹤水溫分層的季節變化。這種移動監測能力,使得水質評估不再局限于單點數據,而是呈現出更立體的空間分布特征。...
溶解氧傳感器在水產養殖、污水處理等領域也發揮著重要作用:在水產養殖中,溶解氧含量直接影響到魚類的生長和繁殖。通過安裝溶解氧傳感器,養殖戶可以實時監測魚塘中的溶解氧含量,根據監測結果及時調整養殖環境,提高養殖效益。在污水處理中,溶解氧傳感器可以幫助操作人員了解污水處理效果,優化處理工藝,提高出水水質。...